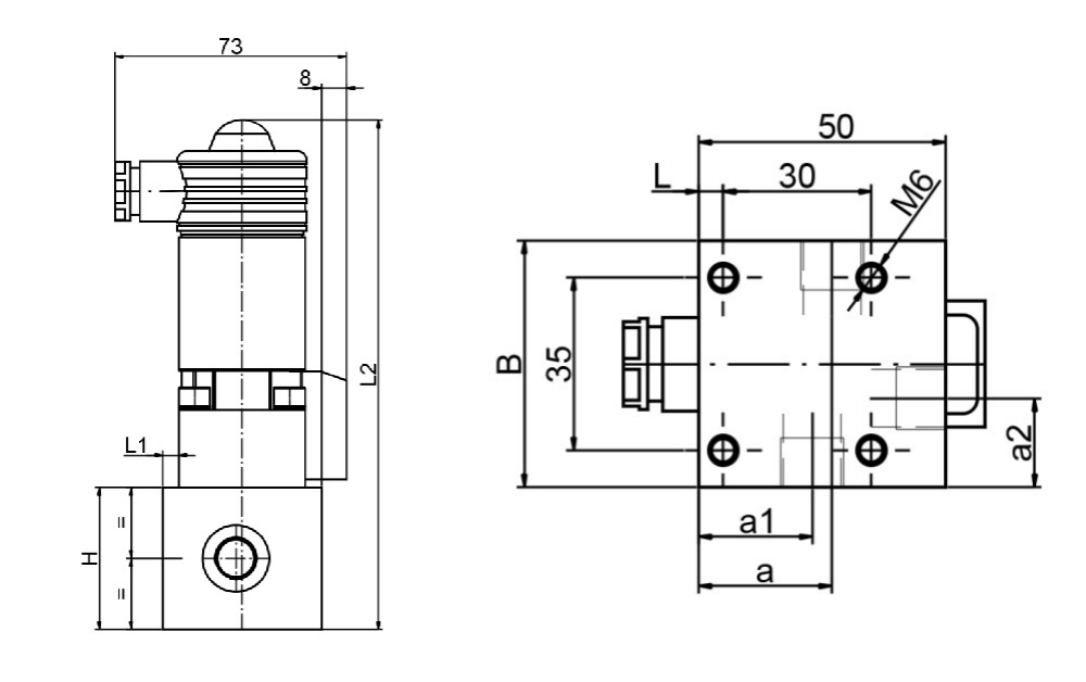
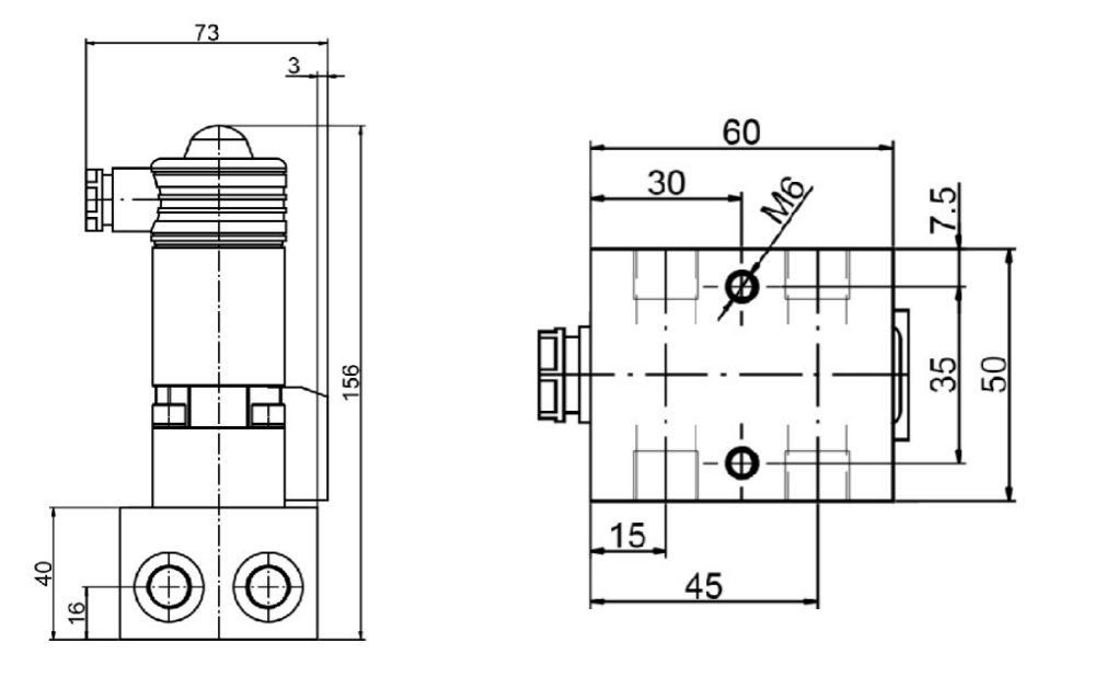
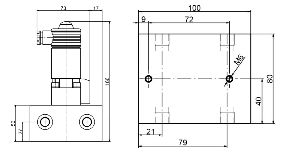
CSV-magneetventiel
Elektrisch gestuurde CSV-klep wordt gebruikt als bedieningselement dat dient om en Conner de zelfstandige delen van vertakte smerende en hydraulische circuits die werken met olie en kunststof vet te scheiden. Bij conventionele kleppen heeft het vet een trend om hier in te blijven en een verstopping te veroorzaken. CSV-klepconstructie gaat voorrang en voorkomt dit fenomeen.
CSV-magneetventiel is geschikt voor alle soorten centrale smeersystemen, waardoor de variabiliteit van functionele modi van meer gecompliceerde regelcircuits kan worden verhoogd met extern gecontroleerde scheiding en verbinding van takken die verschillende smeersnelheden vereisen.
CN
EN
ru
fr
de
es
pt
ar
hi
id
tr
it
pl
nl


