AOP Wiel flens smeerpomp
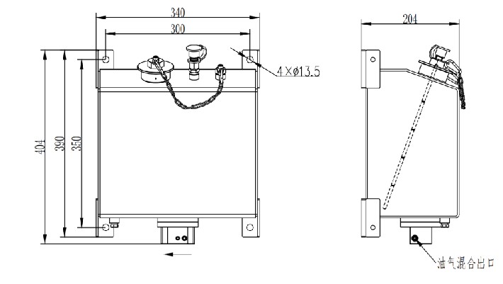
De pomp werkt door gehomogeniseerd smeermiddel te meten, waarbij het volume vooraf is ingesteld bij de pompeenheid. Door perslucht als transportmedium te gebruiken, levert het het smeermiddel via stroomverdelers naar de sproeikoppen, waar het gelijkmatig op de wielflens wordt aangebracht. Het systeem vereist slechts een enkele lijn om zowel smeermiddel als perslucht te transporteren.
Wanneer de stromingsomstandigheden in de uitlaatleidingen vergelijkbaar zijn, wordt het lucht-smeermiddelmengsel gelijk verdeeld binnen de stroomverdeler. Het complete systeem bestaat uit een tank, een plunjerpomp, stroomverdelers en bijbehorende sproeikoppen. Alle bewegende componenten zijn geïntegreerd in de smeermodule, waardoor gemakkelijke toegang en vervanging mogelijk is. Aangezien noch de stroomverdelers, noch de spuitmonden bewegende delen bevatten, worden de onderhoudstijd en-kosten aanzienlijk verminderd.
CN
EN
ru
fr
de
es
pt
ar
hi
id
tr
it
pl
nl

